简
繁
默
你好,游客
登录
注册
搜索
首页
最新资讯
复印机区
打印机区
一体机区
电脑专区
其它外设
资料下载
耗材知识
驱动下载
首页
→
其它外设
→
其它办公设备维修技术
全文内容
背景:
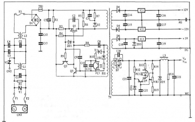
夏普F0-255传真机电源电路图
[日期:2013-04-24]
来源: 作者:
[字体:
大
中
小
]
夏普
F0-255
传真机
电源
电路图
夏普F0-255传真机电源电路图.jpg
(77.28 KB)
下载次数:3
2012-11-21 14:55
0
顶一下
收藏
推荐
打印
| 录入:
admin
| 阅读:
次
CCD传真机复印全黑的维修
相关内容
本文评论
查看全部评论
(0)
表情:
姓名:
匿名
字数
点评:
同意评论声明
发表
评论声明
尊重网上道德,遵守中华人民共和国的各项有关法律法规
承担一切因您的行为而直接或间接导致的民事或刑事法律责任
本站管理人员有权保留或删除其管辖留言中的任意内容
本站有权在网站内转载或引用您的评论
参与本评论即表明您已经阅读并接受上述条款
Digg排行
10
EPSON投影机进入工厂模式方法
9
传真机传入与传出以及图像问题怎
9
各品牌投影机清零方法简介
9
POS打印机实用程序故障排除
9
HP500绘图仪进入维修模式的方式
7
连续供墨系统的维护方法
6
扫描仪的故障排除
5
如何解决喷墨打印机墨盒漏墨
4
爱普生670K改光电传感器方法
4
传真机常见故障及解决办法
热门评论